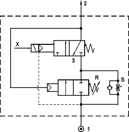
Avviatore progressivo con messa a scarico, a comando elettrico, senza bobina
Codice: 10.003.3