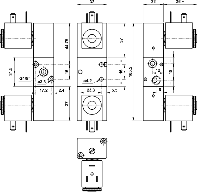
3/2 1/8" doppio comando elettrico a 90° sul lato largo, senza bobine
Codice: 00.060.3

Sigla: 321 EE90 L

Solo versione in alluminio